Estamos especializados en el diseño y fabricación de cuadros eléctricos, configurados de manera personalizada y bajo las especificaciones de nuestros clientes con elementos materiales de las mejores enseñas del mercado actual para garantizar unos elevados niveles de eficiencia y calidad.
Estamos especializados en el diseño y fabricación de cuadros eléctricos, configurados de manera personalizada y bajo las especificaciones de nuestros clientes con elementos materiales de las mejores enseñas del mercado actual para garantizar unos elevados niveles de eficiencia y calidad.

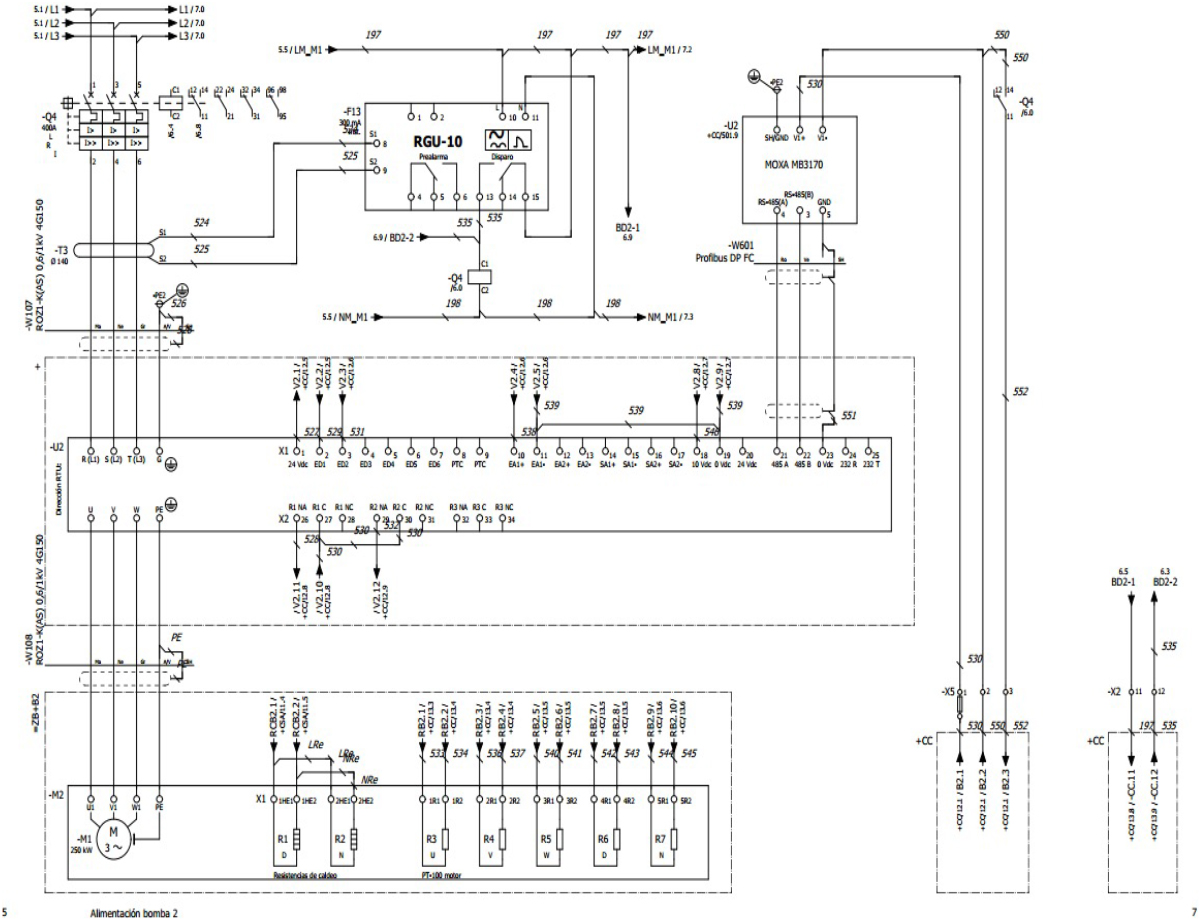
Diseño y fabricación de cuadros eléctricos a medida,
ofreciendo tanto soluciones de distribución en alta como en baja tensión, armarios de control y protección, CCM, servicios auxiliares.




Todos nuestros envíos se realizan en embalajes certificados por la UE adecuados para el transporte por tierra, mar y aire
Todos nuestros envíos se realizan en embalajes certificados por la UE adecuados para el transporte por tierra, mar y aire



